Lần đầu tiên chụp được ảnh vướng víu lượng tử giữa hai photon
- Thiện Tâm
- •
Einstein lúc còn sống luôn không tin rằng vướng víu lượng tử thực sự tồn tại. Tuy vậy, các nhà khoa học ở Scotland đã lần đầu tiên chụp ảnh được hiện tượng mà Einstein gọi là “tác động ma quái từ xa” này.

Vướng víu lượng tử hay rối lượng tử (quantum entanglement) là một hiệu ứng trong cơ học lượng tử trong đó trạng thái lượng tử của hai hay nhiều vi hạt đồng thời có liên hệ với nhau, dù cho chúng có nằm cách xa nhau tới mức nào. Ví dụ, có thể tạo ra hai vi hạt sao cho nếu quan sát thấy spin (mô-men động lượng) của hạt thứ nhất quay xuống dưới, thì đồng thời spin của hạt kia sẽ chắc chắn quay lên trên, hoặc ngược lại; dù không tiên đoán trước kết quả phép đo trên vật thứ nhất. Điều này nghĩa là phép đo thực hiện trên hạt này sẽ ảnh hưởng trực tiếp đến trạng thái lượng tử trên hạt có vướng víu lượng tử với nó.
Sự vướng víu lượng tử là một trong những khái niệm khó hiểu nhất trong cơ học lượng tử, nó dẫn đến khả năng rằng sự liên hệ giữa hai hạt có vướng víu lượng tử có tốc độ nhanh hơn tốc độ ánh sáng. Điều này khiến cho nhà khoa học vĩ đại nhất của thế kỷ 20, Einstein trở nên bối rối. Theo thuyết tương đối của ông thì không có vật thể nào có thể di chuyển với tốc độ nhanh hơn ánh sáng. Chính vì vậy, Einstein gọi hiện tượng vướng víu lượng tử là “tác động ma quái từ xa” (Spooky action at a distance). Một trong những người sáng lập cơ học lượng tử, Schrödinger, cũng chia sẻ cảm giác tương tự khi ông lần đầu tiên sử dụng thuật ngữ “vướng víu”.

>> Dịch chuyển tức thời: Vật chất có thể di chuyển nhanh hơn ánh sáng?
Ngày nay, khoa học đã chứng minh được rằng vướng víu lượng tử là có thật, thậm chí nó đã được ứng dụng thành công trong lĩnh vực máy tính lượng tử. Tuy vậy, chưa có ai có thể chụp ảnh được hiện tượng vật lý kỳ lạ này, cho đến nay.
Gần đây các nhà khoa học từ Đại học Glasgow, Scotland cuối cùng đã tạo ra một bước đột phá trong lĩnh vực này. Họ đã ghi lại được những khoảnh khắc ngắn ngủi của hai photon tương tác và chia sẻ trạng thái vật lý với nhau. Sau nhiều năm làm việc miệt mài, các nhà khoa học cuối cùng đã thành công trong việc chụp được bức ảnh thực tế về sự vướng víu lượng tử đầu tiên trên thế giới. Báo cáo cáo khoa học của thí nghiệm này được đăng trên tạp chí Khoa học Tiên Tiến, ngày 12/7/2019.

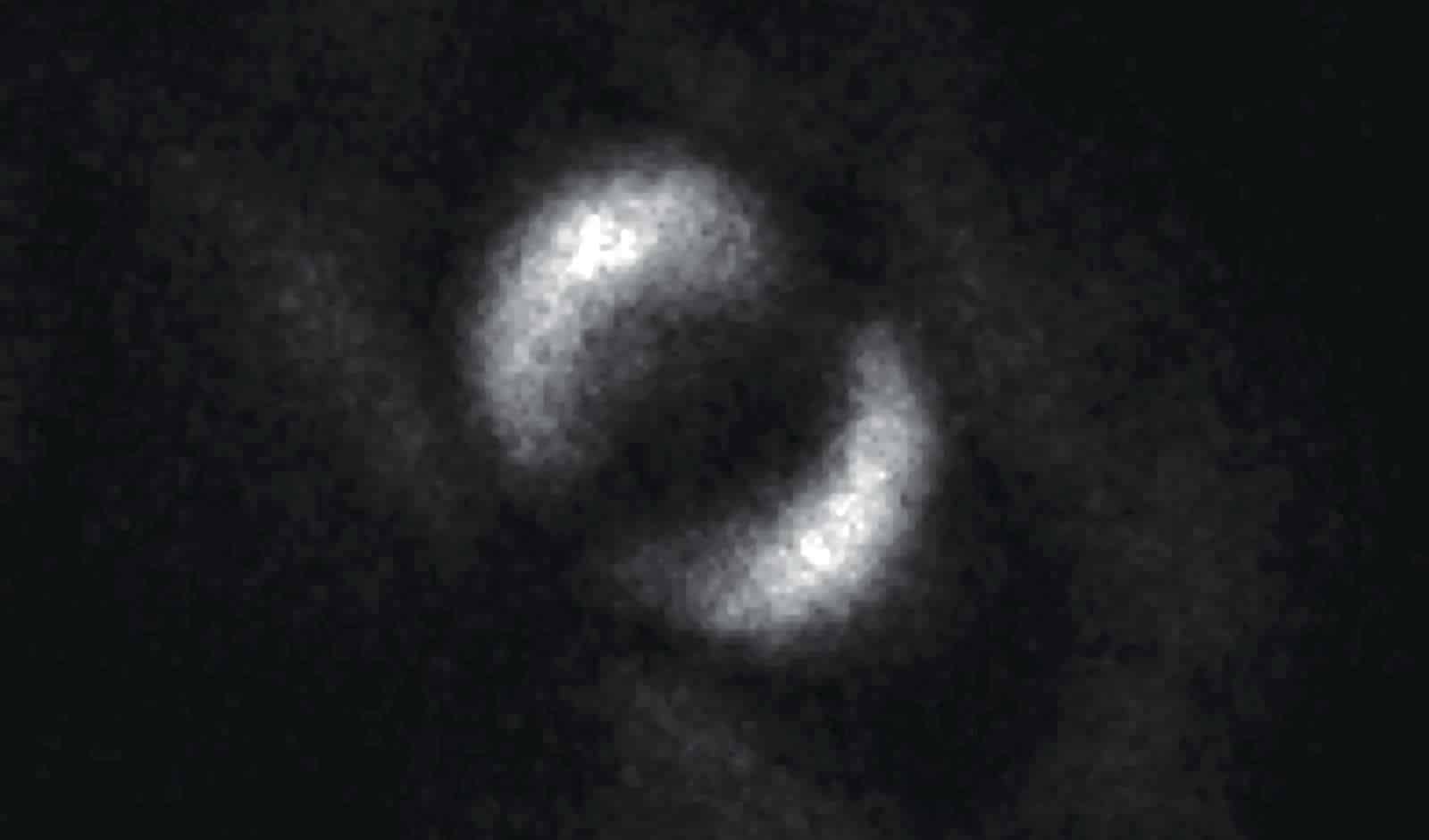
Bức ảnh đặc biệt phía trên (hình 2) cho thấy sự vướng víu giữa hai photon. Nếu nhìn qua bạn có thể sẽ thấy không có gì đáng ngạc nhiên, nhưng nó là hình ảnh lần đầu tiên con người nhìn thấy sự vướng víu giữa hai vi hạt một cách thực sự. Phần phía bên phải (phần B) mô tả pha của photon số 2 được thay đổi 0 độ, 45 độ, 135 độ, 90 độ so với pha ban đầu trong thí nghiệm. Phần bên trái (phần A) mô tả là ảnh chụp được của “vòng tròn có 2 chỗ khuyết” là tập hợp bởi các điểm sáng hiển thị trên máy ảnh của thí nghiệm. Mỗi “vòng tròn” được ghép bởi 2 “nửa vòng tròn”, tương ứng với hình ảnh trên camera của 2 photon có vướng víu lượng tử với nhau. Vị trí 2 chỗ khuyết trên mỗi vòng tròn tương ứng với sự thay đổi về pha của 2 photon. Mỗi khi 1 photon (photon số 2) được điều chỉnh pha thì pha của photon còn lại (photon số 1) sẽ tức thời tự động điều chỉnh theo mà không có bất cứ tác động nào của con người, khiến cho hình ảnh chụp được trên camera luôn tạo thành “vòng tròn”.
Hình 2 tương tự như trường hợp khi chúng ta cấp 2 tín hiệu dao động hình Sin cho 2 kênh X, Y (quét màn hình theo chiều ngang và quét màn hình theo chiều dọc) của một máy hiện sóng (oscilloscope), tuỳ theo tần số, biên độ, pha của tín hiệu trên mỗi kênh mà nó sẽ tạo trên màn hình máy hiện sóng các hình ảnh tổng hợp khác nhau. Hình 3 dưới đây mô tả 2 tín hiệu cùng tần số, cùng biên độ và lệch pha 90 độ sẽ tạo ra hình tròn trên màn hình máy hiện sóng (bên phải), còn 2 tín hiệu đồng pha sẽ tạo thành 1 đường thẳng (bên trái), tín hiệu lệch pha 45 độ sẽ cho hình ellipse (giữa). Hình ảnh 2 photon vướng víu lượng tử được chụp lại trong thí nghiệm cũng có thể được hiểu theo cách tương tự rằng photon 1 luôn tự điều chỉnh pha để 2 photon vướng víu luôn lệch pha nhau 90 độ cho dù pha của photon 2 được điều chỉnh thế nào đi nữa.

Tiến sĩ Paul-Antoine Moreau của Trường Vật lý và Thiên văn học tại Đại học Glasgow, người đứng đầu nhóm tác giả của báo cáo thí nghiệm, nói với BBC rằng hình ảnh của thí nghiệm là “một minh chứng đẹp đẽ cho một thuộc tính của tự nhiên”.
“Đây là một kết quả thú vị, nó có thể được sử dụng để thúc đẩy lĩnh vực điện toán lượng tử mới nổi”, ông nói thêm.
>> Máy tính lượng tử là gì và vì sao nó có khả năng tính toán siêu đẳng?
Để chụp bức ảnh đáng kinh ngạc này, Tiến sĩ Moreau và một nhóm các nhà vật lý đã tạo ra một thí nghiệm phức tạp:
Cặp photon vướng víu được tạo ra bởi tinh thể BBO (Barium Borat) được kích thích bằng tia laser. Sau đó, hai photon được phân tách trên bộ tách trùm BS (Beam Splitter) và được truyền vào hai hệ thống nhánh quang học riêng biệt.

Photon thứ nhất được phản xạ ra khỏi bộ điều chế ánh sáng không gian (SLM – Spatial Light Modulator) được đặt trong một mặt phẳng hiện hình của 1 tinh thể và hiển thị một đối tượng theo pha ánh sáng (thay vì hiển thị đối tượng theo cường độ ánh sáng) trước khi được thu vào một sợi quang đơn mode (SMF -Single Mode Fiber) và sau đó được giám sát bởi một diode thác điện tử (SPAD-Single Photon Avalanche Diode). Nếu diode này phát hiện ra có photon, nó sẽ kích hoạt một camera độ nhạy cao (ICCD Camera- Intensified CCD Camera) chụp lại ảnh.
Photon thứ hai, đi qua hệ thống quang học còn lại, bị phản xạ khỏi một SLM được đặt trong mặt phẳng miền thời gian của biến đổi Fourier của tinh thể (tương đương với mặt phẳng Fourier của đối tượng) có kèm theo một bộ lọc quay pha để quay pha photon. Sau đó photon được lan truyền qua một quãng đường dài khoảng 20m nhằm tạo độ trễ của ảnh, rồi mới đi qua camera ICCD.
Camera ICCD được kích hoạt khi phát hiện ra một photon bởi SPAD được đặt trong nhánh đầu tiên. Đường trễ ánh sáng đảm bảo ảnh thu được của 2 photon là trùng khớp với sự phát hiện ra photon thứ nhất của SPAD. Nhờ đó hình ảnh của 2 photon có vướng víu lượng tử được chụp lại một cách thành công, qua đó ta thấy 2 photon này luôn có pha tương hợp với nhau để tạo thành một vòng tròn trên ảnh được chụp.
Kết quả và những hình ảnh chụp được từ thí nghiệm của Paul-Antoine Moreau một lần nữa lại chứng minh một cách rõ ràng sự vướng víu lượng tử của 2 vi hạt là thực sự tồn tại, đồng thời mở ra hướng mới cho việc thể hiện các hình ảnh của vướng víu lượng tử cũng như cách thể hiện các thông tin lượng tử trong tương lai.
Thiện Tâm tổng hợp
Từ khóa Scotland vật lý lượng tử rối lượng tử máy tính lượng tử vướng víu lượng tử


